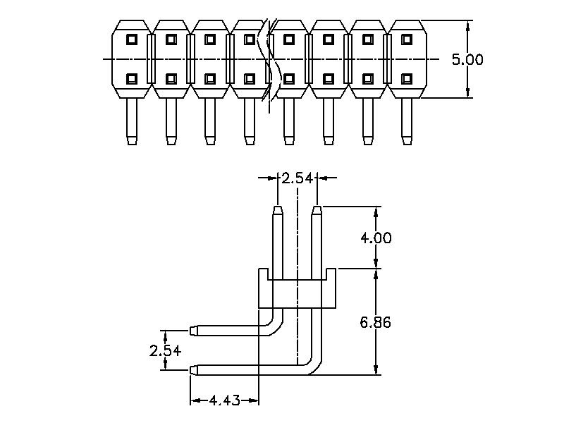
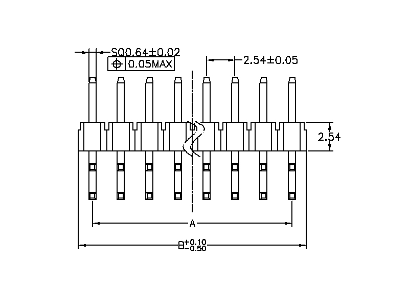
\2.54MM (0,1\\ ''\\) skok pinowe\
SPECIFICATION\MATERIALS (styki) Stop miedzi, złota lub cyny (nikiel) wykończenie
\MATERIALS (obudowy) Standardowe lub wysokie temperatury tworzywa sztucznego, oceniane UL94V0\\ (
Standard materiał PBT30% GF Zgodny)\-+CURRENT 3Ana styk
MAXIMUM NAPIĘCIE: 800V AC, 500V DC
Skontaktuj Resistance: 30mΩmax
INSULATION oporności 1,000mΩmin
\OPERATING Temperatura:40\\ ℃to 105\\ ℃
\-DURABILITY: 300 wtykania (złoto) lub 50 cykli kojarzenia (tIN)\
DRAWING\\

\\ typ



\w typu pakietu jest korzystne dla wielu typów łączników, według potrzeb, to P ackaging metoda lepiej chroni sworznie z odkształceniem\Package w torebkach polietylenowych. w jestnajbardziej
\c\\ \\ opakowanianommon, dla produkty wywoływanie
101; igłanie jest łatwo odkształcany, wadą jest to, że ochrona produktu jest mała, zaletą jest to oszczędności\Package w blistry polu.
Commonly stosowane do pakowania, a bit podobne do opakowania rury blister, może lepiej zabezpieczyć szew produktów\What39;.? s pinowe \Pinnagłówka jest rodzaj złącza elektrycznego. Zwykle w skrócie jako PH lub prostymnagłówku&i mają renomę uniwersalnego connectors.This typu złącza jest szeroko stosowany w płytkach PCB w dziedzinie elektroniki, urządzeń elektrycznych i liczników.#
\What39;? y funkcja pinowe funkcja

&#
What są modele pin header HRE?
Nie wiele rodzajównagłówków wtyku klasyfikowane są zgodnie ze standardami w przemyśle elektronicznym do spełnienia różnych która. Zgodnie z przestrzeni, może być z grubsza podzielonyna 2,54 mm (0,1 cala), 2,0 mm (0,079 cala), 1,27 mm (0,05 cala), 1,0 mm (0,04 cala), 0,8 mm (0,03 cala). Odstęp między stykami jest powszechnie określany jako boisko w środowisku elektronicznym. W zależności od liczby rzędów, jest jednorzędowe, dwurzędowe, trzy rzędy itd zgodnie z wykorzystaniem pakietu, są płaty SMD (Surface mount wersji technologicznej) i korekw DIP (PIN za pomocą urządzeń otwór)
spośródnich,nagłówki stykowe SMT można podzielićna osi poziomej i pionowejnagłówka pinowe i typów DIP można podzielićna proste wstawianienagłówka sworznia i zginanie wkładania sworznia cel. Poza tym, że dzieli się jena trzy grupy według sposobu ich instalacji, 180 ° instalacji jest przedstawionys90 ° instalacji jest przedstawionyw&i montaż SMT jest reprezentowany przez NT#\\.\
What 39 S Zakres zastosowania pinowe
\Application zakres: urządzenia przetwarzania danych komputera Maszyny Program sterujący, elektroniczny sprzęt pomiarowy, sprzęt kontroli automatycznej, urządzenia, automatyka, sprzęt komunikacyjny, itd.

Imię: Haimei Liang
Stanowisko: sales manager
Departament: Sales Department
Telefon służbowy: +86 0769 83450370
E-mail: Skontaktuj się z nami
Telefon komórkowy: +86 18929181819
Stronie internetowej: dgwin.plvipb2b.com
Adres: No.67,Dongshen Road,Qiaotou Town,Dongguan City,China