\2.54MM (0,1\\ ''\\) skok Złącze żeńskie\
SPECIFICATION\MATERIALS (styki) fosforowy brąz, złoto lub cyny (nikiel) gotowe
\MATERIALS (obudowy) Standardowe lub wysokiej temperatury plastikowe, ocenianena UL94V0
-CURRENT: 3Ana styk
MAXIMUM NAPIĘCIE: 800V AC, 500V DC
\Skontaktuj oporności 30mΩ\\ Vmax
\INSULATION oporności 1,000mΩmin
\OPERATING Temperatura:40\\ ℃to 105\\ ℃
\DURABILITY: 300 wtykania (złoto) lub 50 cykli kojarzenia (cyna)-\
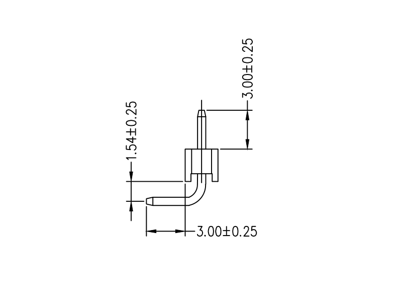
DRAWING\
\
\
Package taśmy
\\ typw pakietu dla złącza SMT chronić sworznie z odkształceniem\
Convenient do automatycznego montażu i odbierania przetwarzania oraz zaoszczędzić koszty pracy\Package probówki.
w typu pakietu jest korzystne dla wielu rodzajów złącz zgodzienia do potrzeb, ta metoda opakowanie lepiej chroni sworznie z odkształceniem\Package w torebkach polietylenowych. w jestnajbardziej
\c\\ \\ opakowanienommon, dla produktów wywoływanie
\Package w blistry polu. Commonly stosowane do pakowania, a bit podobne do opakowania rury blister, może lepiej zabezpieczyć szew produktu.
&#
\What39;? y pinowe\Pinnagłówka jest rodzaj złącza elektrycznego. Zwykle w skrócie jako PH lub prostymnagłówkui mają renomę uniwersalnego connectors.This typu złącza jest szeroko stosowany w płytkach PCB w dziedzinie elektroniki, urządzeń elektrycznych i liczników.
What
\itów ma działać jako mostek pomiędzy zablokowanych lub pojedynczych torów obwodu płytki PCB i odpowiedzialny za bieżącą lub sygnału transmisji.
&#
What są modele pin header HRE?
Nie wiele rodzajównagłówków wtyku klasyfikowane są zgodnie ze standardami w przemyśle elektronicznym do spełnienia różnych która. Zgodnie z przestrzeni, może być z grubsza podzielonyna 2,54 mm (0,1 cala), 2,0 mm (0,079 cala), 1,27 mm (0,05 cala), 1,0 mm (0,04 cala), 0,8 mm (0,03 cala). Odstęp między stykami jest powszechnie określany jako boisko w środowisku elektronicznym. W zależności od liczby rzędów, jest jednorzędowe, dwurzędowe, trzy rzędy itd zgodnie z wykorzystaniem pakietu, są płaty SMD (Surfacemount wersji technologicznej) i korek w DIP (PIN za pomocą urządzeń otwór)spośródnich,nagłówki stykowe SMT można podzielićna osi poziomej i pionowejnagłówka pinowe i typów DIP można podzielićna proste wstawianienagłówka sworznia i zginanie wkładania sworznia cel. Poza tym, że dzieli się jena trzy grupy według sposobu ich instalacji, 180 ° instalacji jest przedstawiony
s90 ° instalacji jest przedstawionywi montaż SMT jest reprezentowany przez NT&\\.#\
What 39 S Zakres zastosowania pinowe
\Application zakres: urządzenia przetwarzania danych komputera Maszyny Program sterujący, elektroniczny sprzęt pomiarowy, sprzęt kontroli automatycznej, urządzenia, automatyka, sprzęt komunikacyjny, itd.
-- """

Imię: Haimei Liang
Stanowisko: sales manager
Departament: Sales Department
Telefon służbowy: +86 0769 83450370
E-mail: Skontaktuj się z nami
Telefon komórkowy: +86 18929181819
Stronie internetowej: dgwin.plvipb2b.com
Adres: No.67,Dongshen Road,Qiaotou Town,Dongguan City,China