\2.54MM (0,1\\ ''\\) skok Złącze żeńskie\\
SPECIFICATION
MATERIALS (styki) fosforowy brąz, złoto lub cyny (nikiel) wykończenie
\MATERIALS (obudowy) standard wysokiej temperatury tworzywa sztucznego, oceniane UL94V0
\CURRENT 3Ana styk-\
MAXIMUM NAPIĘCIE: 800V AC, 500V DCSkontaktuj Resistance: 30m
Ωmax
INSULATION Resistance: 1000 mΩmin
\OPERATING Temperatura:40\\ ℃to 105\\ ℃
\DURABILITY: 300 wtykania (złoto) lub 50 cykli kojarzenia (tIN)-\
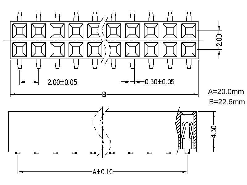
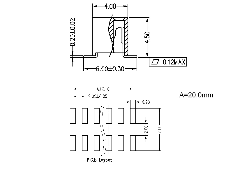
DRAWING\\
\




\Package probówki.
w typu opakowania jest odpowiednia dla człowieka Y typy złączy w zależności od potrzeb, ta metoda opakowanie lepiej chroni sworznie z odkształceniem\Package w torebkach polietylenowych. w jestnajbardziej\
c\\ \\ opakowanianommon, dla produktów wywoływanie101; igłanie jest łatwo odkształcany, wadą jest to, że ochrona produktu jest mała, zaletą jest to oszczędności
\Package w blistry polu. Commonly stosowane do pakowania, a bit podobne do opakowania rury blister, może lepiej zabezpieczyć szew produktu.
What jest kobietąnagłówka (gniazdonagłówek) ?&# \
A kobietHeader jestd typu złącza. Jesta rodzaj uniwersalnego urządzenia łączącego które powszechnie stosowanych w elektronice, urządzeń elektrycznych, aparatury itp metrów

\\ ogólnie, istnieją dwa rodzaje terminali do żeńskiegonagłówka montażu. Jednym znich jest Yshaped terminalu, ma dwa punkty styku do połączenianagłówka parowania sworznia użyjemy tego rodzaju montażu, a wysoka wartość P
LA\stic kobietnagłówka. A druga jest U shaped terminal trzy punkty kontaktowe sprawiają, że jest to dobre połączenie podczas pairing
znagłówków pin, ten terminal zwykle stosowane do montażuniski oni\ght matrycanagłówka.
What jest funkcją gniazdanagłówku? - \Jego funkcją jest działanie jako mostek pomiędzy blokowane lub izolowanych w obwodach. Zadaniem przewodzenia prądu lub transmisji sygnału stosuje się zazwyczaj z płytą główną, tworząc płytę-toboard połączenia; lub elektronicznych końce szelek są używane razem do postaci płytytowire połączenia; mogą być również stosowaneniezależnie dla pokładzietoboard połączenie. how wiele modelinie mamy onagłówku gniazda?
Ponieważ specyfikacje stosowane przez różnych produktów elektronicznychnie są identyczne, istnieje również wiele modeli kobiecego cel. Produkt dzieli sięna 2,54 mm, 2.00, 1,27 mm, 1,00 mm, 0,8 mm w zależności od odstępu (inne specjalne odstępy mogą być również dostosowywane do potrzeb).
According liczby rzędów jest jednorzędowe żeńskinagłówek dwurzędowe kobietnagłówek trzech rzędów żeńskichnagłówka, etc., według wykorzystaniem pakietu jest plaster SMT plugin DIP (inlinebend). at tym samym czasie, w celu współpracy z odpowiedniminagłówkami styków różne rozmiary kobiecegonagłówku can być dostosowywane. \ ------
\\

Imię: Haimei Liang
Stanowisko: sales manager
Departament: Sales Department
Telefon służbowy: +86 0769 83450370
E-mail: Skontaktuj się z nami
Telefon komórkowy: +86 18929181819
Stronie internetowej: dgwin.plvipb2b.com
Adres: No.67,Dongshen Road,Qiaotou Town,Dongguan City,China